01
1999年、2002年和2007年,国家计委和有关部门相继发布了建设工程服务收费管理的有关规定,主要包括以下几项:
《建设项目前期工作咨询收费暂行规定》(国家计委/建规[1999]1283号)
《工程勘察设计收费管理规定》(国家计委、建设部/建规[2002]10号)
《关于规范环境影响咨询收费有关问题的通知》(国家计委、环境保护部/建规[2002]125号)
《招标代理服务收费管理暂行办法》(国家计委/建规[2002]1980号)
《建设工程监理与相关服务收费管理规定》(国家发展改革委、建设部/发改价格[2007]670号)
上述规定构成了政府指导价管理的框架,对规范一定时期内建设项目的服务收费行为起到了积极作用 。
02
2013年党的十八届三中全会后,强调要充分发挥市场在资源配置中的决定性作用 。改革原来政府引导的价格管理政策 。
2014年7月10日,国家发展改革委发布《国家发展改革委关于放开部分建设项目服务收费标准有关问题的通知》号文(发改价格〔2014〕1573号),作出如下规定:
除政府投资项目和政府委托服务外,还将发布前期工作咨询、工程勘察设计、招标代理、工程监理等四项服务的收费标准,实行市场调节价 。
政府直接投资和注资的政府投资项目,以及政府委托的上述服务收费,继续实行政府指导价管理,执行规定的收费标准 。
专业服务收费实行市场调节价,由委托方根据服务成本、服务质量和市场供求情况协商确定 。
半年后,2015年2月11日,国家发展改革委发布《国家发展改革委关于进一步放开建设项目专业服务价格的通知》号文(发改价格〔2015〕299号),其中规定:
自2015年3月1日起,在放开非政府投资和非政府委托建设项目专业服务价格的基础上,全面放开5个建设项目的专业服务价格(建设项目前期工作咨询费、工程勘察设计费、招标代理费、工程监理费、环境影响咨询费),实行市场调节价 。
五项服务价格经市场调整后,经营者应严格遵守《价格法》、《关于商品和服务实行明码标价的规定》等法律法规 。并告知客户服务项目、服务内容、服务质量和服务价格等 。并在相关服务合同中规定 。
2016年1月1日,国家发展改革委第31号令废止规章30件,规范性文件1032件 。1032件规范性文件包括上述关于规范建设项目服务收费管理的五项规定 。
至此,建筑工程专业服务价格已全面放开 。
03
2016年3月1日建设工程专业服务价格全面放开后,上述5项已废止的规范建设工程服务收费管理规定仍作为招标文件和合同的参考文件 。
建设工程专业服务价格全面放开后,行业协会在收费参考依据方面做了大量工作 。
2016年12月26日,中国勘察设计协会发布《关于建筑设计服务成本要素信息统计分析情况的通报》(中国设计协会〔2016〕89号);2018年12月26日,
发布了《关于园林和景观设计服务成本要素信息统计分析情况的通报》(中设协字[2018] 119号);2019年1月23日,发布了《关于市政工程设计服务成本要素信息统计分析情况的通报》(中设协字[2019]7号) 。
这些文件能否替代已经废止的收费管理规定,成为市场行为中的收费参考,发挥相应的指导作用,还得拭目以待 。
04
关于市政工程设计服务成本要素信息统计分析情况的通报
中设协字[2019]7号
各地方、各部门勘察设计同业协会,解放军工程建设协会,中国勘察设计协会各分支机构,各会员单位:
为充分发挥市场在资源配置中的决定性作用,维护市政工程设计市场公平有序的竞争环境,确保市政工程的设计质量,中国勘察设计协会委托市政工程设计分会组织开展了市政工程设计服务成本要素信息统计分析工作,重点对全国各地区市政工程设计单位 2013 年至 2017 年五个年度市政工程设计服务成本要素信息进行了调查、统计、测算和分析 。
本次市政工程设计服务成本调查工作,对全国各地区不同类型的市政工程设计单位进行了抽样调查,主要收集了市政工程设计服务范围和内容、服务收入、服务项目人力资源要素配置、对应市政工程设计工程费的设计基本服务成本(含税金)等大量生产要素数据信息,采集的数据信息在市政工程设计行业具有一定的代表性 。
市政工程设计分会组织相关单位对采集的大量数据信息进行了汇总、分析与归纳,并组织行业专家进行了多轮次的研讨和论证,形成了市政工程设计服务两类成本要素信息,一类是市政工程设计服务不同等级工程技术人员的人工成本信息,另一类是对应不同额度工程费的设计基本服务成本(含税金)的信息 。现将市政工程设计服务两类成本要素信息予以通报,供市政工程设计市场各相关方参考 。
由于市政工程设计市场不断发展变化,中国勘察设计协会将持续开展市政工程设计服务成本要素的调查、统计与分析工作,并不定期进行相关信息通报,以反映市政工程设计市场的成本现状,为维护市政工程设计市场秩序,反对不正当竞争,保证工程设计质量提供信息支持 。
附件:
表1.市政工程设计服务人工日法综合成本信息表
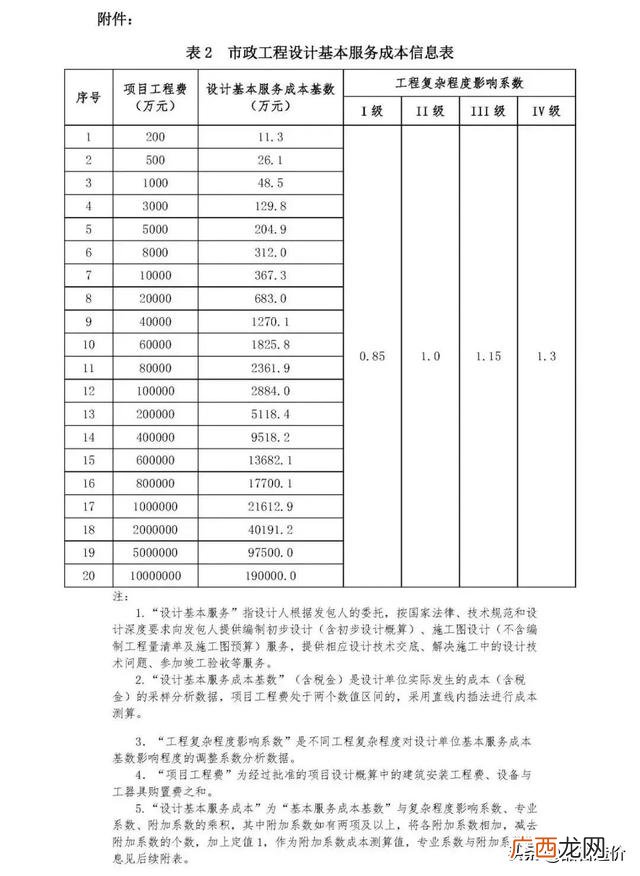
表2.市政工程设计基本服务成本信息表
表3.市政工程设计复杂程度影响系数及成本附加系数信息表
表4.市政工程设计其他服务成本附加系数信息表
表5.市政工程设计专业系数、各阶段工作量比例信息表
中国勘察设计协会
2019年1月23日
表1.市政工程设计服务人工日法综合成本信息表

文章插图
表2.市政工程设计基本服务成本信息表

文章插图
表3.市政工程设计复杂程度影响系数及成本附加系数信息表

文章插图

文章插图

文章插图

文章插图

文章插图

文章插图

文章插图

文章插图

文章插图

文章插图

文章插图

文章插图

文章插图
表4.市政工程设计其他服务成本附加系数信息表

文章插图
表5.市政工程设计专业系数、各阶段工作量比例信息表

文章插图
造价构成
清单计价模式下的工程造价包括分部分项工程费、措施项目费、其他项目费、规费和税金,如图3-2所示 。

文章插图

文章插图
一、分部分项工程费
分部分项工程费是指完成在工程量清单列出的各分部分项工程量所需的费用 。包括:人工费、材料费(消耗的材料费总和)、机械使用费、企业管理费以及利润 。
1、分部分项工程综合单价
综合单价是指完成工程量清单中一个规定计ht单位项目所需的人工费、材料费、机械使用费、企业管理费和利润 。
人工费=综合工日定额 x 人工工日单价综合工日定额、材料消耗定额及机械台班定额,对于市政工程,从《全国统一市政工程预算定额》(GYD-301 -309-1999,2001)中查取 。
材料费=料消耗定额 x 材料单价
机械使用费=机械台班定额 x 机械台班单价
企业管理费=(人工费+材料费+机械使用费)x 相应企业管理费费率
利润=(人工费+材料费+机械使用费)x 相应利润率
人工工日单价由当地当时物价管理部门、建设工程管理部门等制定 。
材料单价可从《地K建筑材料预算价格表》中查取,或按照当地当时的材料零售价格 。
机械台班单价可从《全国统一施工机械台班费用编制规则》(2001)中查取 。
在《全国统一市政工程预算定额》中可以直接查取人工费、材料费及机械使用费,但必须注意以下几点:
(1)该预算定额中人工工日单价为22.47元 。
(2)该预算定额中有关涉及混凝土等有配比组合材料的(材料数量带括号),没有计人该材料的费用,为此在计取该分项的材料费时,应另外加人该组合材料的费用 。
(3)该预算定额中,各种材料单价是按照 1999年北京市的材料单价确定的(地铁工程是以2001年北京市材料单价确定的) 。
(4)该预算定额中,各种机械台班单价执行《全国统一施工机械台班费用定额》(1998) 。
(5)该预算定额中,有些分部分项工程的计量单位与分部分项工程量清单的计量单位不一致,套用时应换算到工程量清单的计最单位 。
各分部分项工程的综合单价的计算,应填人分部分项工程量清单综合单价分析表内 。
2、分部分项工程量清单计价
各分部分项工程合价按下式计算:
合价=工程量X综合单价各个分部分项工程合价相加的总和即成为分部分项工程最清单计价合计 。
各个分部分项工程合价计算及合计应填人分部分项工程量清单计价表内 。
二、措施项目费
措施项目是指为完成工程项目施工,发生于该工程施工前和施工过程中技术、生活、安全等方面的非工程实体项目一般包括通用措施项目和专用措施项目 。
(一)通用项目
通用项目包括安全文明施工(含环境保护、文明施工、安全施工、临时设施)、夜间施工、二次搬运、冬雨期施工、大型机械设备进出场及安拆、施工排水、施工降水、地上地下设施保护、建筑物的临时保护及已完工程及设备保护 。
1、安全文明施工费
(1)环境保护计价 。环境保护计价是指工程项目在施工过程中,为保护周围环境,而采取防噪声、防污染等措施而发生的费用 。环境保护计价一般是先估算,待竣工结算时再按实际支出费用结算 。
(2)文明施工计价 。文明施工计价是指工程项目在施工过程中,为达到上级管理部门所颁布的文明施工条例的要求而发生的费用 。文明施工计价一般是估算的,约占分部分项工程的人工费、材料费、机械使用费总和的0.8%左右 。
(3)安全施工计价 。安全施工计价是指工程项目在施工过程中,为保障施工人员的人身安全,而采取的劳保措施而发生的费用 。安全施工计价一般是根据以往施工经验、施工人员数、施工工期等因素估算的,约占分部分项工程的人工费、材料费、机械使用费总和的0.8%-0.1% 。
(4)临时设施计价 。临时设施计价是指施工企业为满足工程项目施工所必需而用于建造生活和生产用临时建筑物、构筑物等发生的费用等,包括临时设施的搭设、维修、拆除费或摊销费 。
临时设施计价一般取分部分项工程的人工费、材料费、机械使用费总和的3.28% 。若使用业主的房屋作为临时设施,则该临时设施计价应酌情降低 。
2、夜间施工费
夜间施工费是指工程项目在夜间进行施工而增加的人工费 。夜间施工的人工费不应超过白天施工的人工费的两倍,并计取管理费和利润 。夜间施工计价若需要时,可预先估算,待竣工时凭签证按实结算 。
夜间施工是指当日晚上十时至次日早晨六时这一期间内的施工 。
3、二次搬运费
二次搬运费是指材料、半成品等一次搬运没有到位,需要二次搬运到位而产生的运输费用,包括人工费及机械使用费 。
二次搬运计价若需要时,可预先估算,待竣工时凭签证按实结算 。
4、冬雨期施工增加费
冬雨期施工增加费是指冬雨期施工期间防雨、保温、保证工程质量等所需费用以及冬雨期施工的人工降效 。在编制工程量清单时,应列人分部分项工程量清单中;由于雨期防洪采取防洪措施或冬期施工采用的供暖措施所发生的费用,则应列人措施项目清单中 。
5、大型机械设备进出场及安拆费
大型机械设备进出场(场外运输)费包括人工费、材料费、机械费、架线费、回程费,这五项费用之和称为台次单价 。大型机械设备进出场费的台次单价及费用组成可参照表3-1 。

文章插图
大型机械设备安拆费包括人工费、材料费、机械费,这三项费用之和称为台次单价 。
大型机械设备安拆计价的台次单价及费用组成可参照表3-2 。

文章插图
塔式起重机基础费包括人工费、材料费、机械费,这三项费用之和称为单价 。
塔式起重机基础费的单价及费用组成可参照表3-3 。

文章插图
计算大型机械设备进出场及安拆费、塔式起重机基础费、应汁取管理费和利润 。
6、施工排水、降水费
市政工程施工降水可采用井点降水,分为轻型井点降水、喷射井点降水、大口径井点降水 。
井点降水费计算公式:并点降水费=井点降水工程量 x 综合单价式中:井点降水工程量应按安装、拆除、使用分别计算 。
井点降水安装工程量,按井点数量计算,计量单位:10根 。
井点降水拆除工程量,按井点数量计算,计量单位:10根 。
井点降水使用工程量,按井点数量与使用天数的乘积计算,计最单位:套天 。轻型井点50根为一套,喷射井点30根为一套,大口径井点10根为一套,累计根数不足一套者按一套计算,一天按24h计算 。
综合单价=(人工费+材料费+机械使用费) x (1+管理费率十利润率)综合单价中的人工费、材料费、机械使用费可参照表3-4至表3-6计取 。

文章插图

文章插图

文章插图
7、地上地下设施、建筑物的临时保护设施费
地上地下设施、建筑物的临时保护设施费主要包括:现场施工围栏、临时水工保护设施、设备管道施工安全、防冻和焊接保护措施、管道安装后充气保护措施,压力容器和高压管道的检验,长输管道施工便道、焦炉施工大棚、焦炉、烘炉、热态工程,隧道内施工的通风、照明、通讯设施、排水、降水措施、管道跨越及穿越施工措施、地下管道穿越地上建筑物的保护措施、长输管道工程施工队伍调遣、桥架式栏杆等费用 。
8、已完工程及设备保护费
已完工程及设备保护费是指对已完工程及设备加以成品保护所耗用的人工费及材料费 。
已完工程及设备保护费可按下式计算:
保护费=被保护工程量 x 综合单价式中:被保护工程量按具体保护对象不同有不同的计算方法 。
综合单价=(人工费+材料费) x (1+管理费率十利润率)式中,综合单价中的人工费、材料费,可查取综合工日定额、材料消耗定额,再按人工工日单价、材料单价,计算出相应的人工费、材料费 。
(二)专用措施项目
市政工程专用的措施项目有:围堰、筑岛、现场施工围栏、便道、便桥、洞内施工的通风、供水、供气、供电、照明及通风设施、驳岸块石清理 。
1、围堰费
市政工程施工中所采用的围堰有土草围堰、土石混合围堰、圆木桩围堰、钢桩围堰、钢板桩围堰、双层竹笼围堰等 。
围堰费按下式计算:
围堰费=围堰工程量 x 综合单价围堰工程量计算方法:
(1)土草围堰、土石混合围堰,按围堰的体积计算,即围墙的施工断面乘以围堰中心线长度,计量单位:100m 。
(2)圆木桩围堰、钢桩围堰、钢板桩围坂、双层竹笼围堰,按围堰中心线的长度计算,计量单位:10m 。
(3)围堰高度按施工期内的最高临水面加0.5m计算 。
综合单价中的人工费、材料费、机械使用费可参照表3-7至表3-12中所列计取 。

文章插图

文章插图

文章插图
2、筑岛费
筑岛(筑岛填心)是指在围堰围成的区域内填土、砂及砂砾石 。
筑岛费按下式计算:
筑岛费=筑岛填心工程量 x 综合单价筑岛填心工程量,按所填土、填砂、填砂砾石的体积计算,计量单位:100m 。
综合单价=(人工费+材料费十机械使用费) x (1十管理费率十利润率)综合单价中的人工费、材料费、机械使用费可参照表3-13所列计取 。

文章插图
3、便道费
便道费是指工程项目在施工过程,为运输需要而修建的临时道路所发生的费用,包括人工费、材料费和机械使用费等 。
便道费应根据便道施工而积、使用材料等因素,按实际情况估算 。
4、便桥费
便桥费是指工程项目在施工过程中,为交通需要而修建的临时桥梁所发生的费用,包括人工费、材料费、机械使用费等 。
便桥费应根据便桥施工的长度及宽度、使用材料等因素,按实际情况估算 。
5、脚手架费
市政工程用的脚手架有竹脚手架、钢管脚手架、浇混凝土用仓而脚手架等 。
脚手架费计算公式:脚手架费=脚手架工程最 x 综合单价
脚手架工程量计算方法:
(1)墙体的竹脚手架、钢管脚手架,按墙面的面积计算,即墙面水平边线长度乘以墙面砌筑高度,计量单位:耐 。
(2)柱体的竹脚手架、钢管脚手架,按柱体外围周长另加3.6m乘以柱体砌筑高度计算 。计量单位:m 。
(3)浇混凝土用脚手架 。按仓面的水平面积计算,计量单位:m 。
综合单价=(人工费+材料费) x (1+管理费率+利润率)综合单价中的人工费、材料费可参照表3-14,表3-15中所列计取,也可按实际情况加以调整,公式如下:

文章插图

文章插图
6、洞内施工的通风、供水、供气、供电、照明及通信设施费
洞内施工的通风、供水、供气、供电、照明及通信设施费是指隧道硐内施工所用的通风、供水、供气、供电、照明及通信设施的安装拆除年摊销费用 。一年内不足一年按一年计算,超过一年按每增一季定额增加,不足一季按一季计算(不分月) 。
洞内设施费计算公式:洞内设施费=设施工程量 x 综合单价设施工程量计算方法(计量单位:100m):
(1)粘胶布通风筒、薄钢板风筒,按每一铜口施工长度减30m计算 。
(2)风、水钢管,按砚长加100m计算 。
(3)照明线路,按俐长计算;安双排照明时,应按实际双线部分增加 。
(4)动力线路,按酮长加50m计算 。
(5)轻便轨道,按设计布置的轻便轨道长度计算,双线应加倍计算,每处道岔折合30m计算 。
综合单价=(人工费+材料费十机械使用费) x (1+管理费率+利润率)综合单价中的人工费、材料费、机械使用费可参照表3-16至表3-18所列计取 。各种设施计价只算一次 。

文章插图

文章插图

文章插图
7、驳岸块石清理费
驳岸块石清理费是指清理驳岸块石所需用的人工费、机械使用费等 。
驳岸块石清理费应根据清理块石的工程量、运距等因素,按实际发生的费用计算,并计取管理费和利润 。
三、其他项目费
其他项目费用包括暂列金额、暂估价(包括材料暂估单价、专业工程暂估价)、计日工、总承包服务费以及其他费用(如:索赔、现场签证等) 。
暂列金额是招标人在工程m清单中暂定并包括在合同价款中的一笔款项 。用于施工合同签订时尚未确定或者不可预见的所需材料、设备、服务的采购,施工中可能发生的工程变更、合同约定调整因素出现时的工程价款调整以及发生的索赔、现场签证确认等的费用 。
暂估价是招标人在工程量清单中提供的用于支付必然发生但暂时不能确定价格的材料的单价以及专业工程的金额 。
计日工是在施工过程中,完成发包人提出的施工图纸以外的零星项目或工作,按合同中约定的综合单价计价 。
总承包服务费是总承包人为配合协调发包人进行的工程分包自行采购的设备、材料等进行管理、服务以及施工现场管理、竣工资料汇总整理等服务所需的费用 。
索赔是在合同履行过程中,对于非己方的过错而应由对方承担责任的情况造成的损失,向对方提出补偿的要求 。
现场签证是发包人现场代表与承包人现场代表就施工过程中涉及的责任事件所作的签认证明 。
其他项月费用的计算方法参见本书第五章第二节中相关内容 。
四、规 费
规费是指政府和有关部门规定必须缴纳的费用,简称规费 。
投标人在投标报价时,规费的计算一般按国家及有关部门规定的计算公式及费率标准计算,具体可参照本书第五章第二节的相关内容 。
五、税 金
税金是指国家税法规定的应计人工程造价内的营业税、城市维护建设税及教育费附加 。税金的计算可参照本书第五章第二节的相关内容 。
- END -

文章插图
【市政公司是什么编制 市政工程主要做什么工作】

文章插图
- 小厂好还是大厂好,创业公司和大厂怎么选
- 陆游《卜算子·咏梅》原文及翻译是什么
- 马铃薯淀粉和玉米淀粉的区别是什么
- 创业板上市公司具有几个特点,创业板上市公司特点
- 昌都最缺的是什么生意 西藏缺什么创业项目
- aifol埃飞灵卫浴怎么样,埃飞灵公司简介
- 沂水创业环保科技有限公司 创业环保科技有限公司
- 消防工程师报名时间2021官网,消防工程师初级证报考条件是什么
- 机械硬盘原理是什么
- 《煮酒论英雄》是什么意思
